ITI Fitter Theory 1st Year Question Bank prepared as per latest syllabus, an essential study resource for CBT exam preparation.

ITI Fitter Theory 1st Year Question Bank-All Modules for CBT Exam
ITI Fitter Theory 1st Year Question Bank is prepared according to the latest NIMI syllabus for ITI students. It includes exam-oriented theory questions and MCQs, making it an ideal resource for CBT exam preparation, practice, revision, and improving accuracy, confidence, and overall performance.
Q.21. What is the use of a try square?
[A] To check right angle
[B] To check acute angle
[C] To check obtuse angle
[D] To check straight angle
Q.23. Which part of universal surface gauge holds the scriber?
[A] Snug
[B] Guide pin
[C] Rocker arm
[D] Fine adjustment screw
Q.25. A new hacksaw blade after a few stroke, becomes loose because of?
[A] stretching of blade
[B] wrong pitch of the blade
[C] improper selection of saw sets
[D] nut thread being worn out
Q.26. Why breakage of teeth occur easily while sawing of thin walled work pieces and the start of cut?
[A] Hand force is too big
[B] Cutting section is too short
[C] Coarse blade to be used
[D] Hand force acts only upon few teeth
Q.33. What is the use of feeler gauge?
[A] Check the width
[B] Check the height
[C] Check the length
[D] Check the gap between the mating parts
Q.36. Name the part marked as x of the file.

[A] Heel
[B] Edge
[C] Ferrule
[D] Shoulder
Q.42. Name the part marked as x .

[A] Leg
[B] Peg
[C] Washer
[D] Fulcrum
Q.43. Name the angular measuring instrument.

[A] Bevel gauge
[B] Bevel protractor
[C] Universal bevel gauge
[D] Universal surface gauge
Q.44. Which is used for filling narrow grooves and angles above 10° ?
[A] Square file
[B] Half round file
[C] Triangular file
[D] Knife edge file
Q.45. Name the defect that causes the metal chips to clog between the teeth of file ?
[A] File bite
[B] Pinning of file
[C] Warping of file
[D] Glazing of file
Q.49. Which grinding machine is used for heavy duty work?
[A] Bench grinder
[B] Portable grinder
[C] Pedestal grinder
[D] Surface grinder
Q.50. Which chisel is used for separating materials after chain drilling?
[A] Web chisel
[B] Flat chisel
[C Cross cut chisel
[D] Diamond point chisel
Q.51. Which file is used for sharpening the teeth of wood working saws?
[A] Barrete file
[B] Tinker s file
[C] Millsaw file
[D] Riffler file
Q.53. What will be the effect if the clearance angle of chisel is less than recommended angle while chipping?
[A] Cutting edge cannot penetrate, chisel will slip
[B] Cutting edge digs in, cut will be deeper
[C] Cutting edge will break
[D] Cutting edge of chisel move freely on straight line
Q.57. Name the part marked as x .

[A] Lip
[B] Land
[C] Flank
[D] Point angle
Q.58. Which type of taper is provided in the drill shank?
[A] Pin taper
[B] Metric taper
[C] Morse taper
[D] Jerno taper
Q.59. Which is used to remove drills and sockets from the machine spindle?
[A] Drift
[B] Sleeve
[C] Punch
[D] Hammer
Q.60. Name the tap wrench used in the restricted place.
[A] Box type tap wrench
[B] T handle tap wrench
[C] Solid type tap wrench
[D] Double ended adjustable tap wrench
Q.61. In the ISO metric thread, calculate the tap drill size for M 10 x 1.5 thread.
[A] 8.2 mm
[B] 8.7 mm
[C] 8.75 mm
[D] 8.65 mm
Q.62. What is the unit of feed in drilling operation?
[A] m/rev
[B] mm/rev
[C] m/min
[D] mm/min
Q.68. What is the name of the caliper having one leg with an adjustable divider point and other leg is bent?
[A] Jenny caliper
[B] Inside caliper
[C] Outside caliper
[D] Spring joint caliper
Q.70. What is the name of part marked as x in combination set?

[A] Bevel head
[B] Centre head
[C] Square head
[D] Protractor head
Q.71. Which type of datum is followed?

[A] Edge datum
[B] Point datum
[C] Centre line datum
[D] Reference line datum
Q.74. Which chisel is used for removing materials on the corners of the keyways?
[A] Flat chisel
[B] Diamond point chisel
[C] Cross cut chisel
[D] Half round nose chisel
Q.75. Which file is having rows of teeth cut in one direction?
[A] Single cut file
[B] Curved cut file
[C] Second cut file
[D] Double cut file
Q.76. Which file is used for filing wood andleather?
[A Hand file
[B] Bastard file
[C] Rasp cut file
[D] Single cut file
Q.77. Why the cutting faces of files are slightly bellied on length wise?
[A] Get proper grip over workpiece
[B] Filing flat surfaces is made easier
[C] Permit clearance between file face and the workpiece
[D] Ensure more pressure on workpiece while filing
Q.78. Which pitch of blade is used for cutting bronze, brass and cast iron?
[A] 0.80 mm
[B] 1.00 mm
[C] 1.40 mm
[D] 1.80 mm
Q.79. What happen if the clearance angle of chisel is too high?
[A] Slipping of chisel
[B] Digging on the surface
[C] Cutting edge will break
[D] Heavy metal removal from the surface
Q.80. Which type of hammer is used for riveting purpose?
[A] Sledge hammer
[B] Ball pein hammer
[C] Cross pein hammer
[D] Straight pein hammer
Q.81. What is the unit of cutting speed in drilling operation?
[A] m/ rev
[B] mm/ rev
[C] m/ min
[D] mm/ min
Q.82. What is the name of part marked as x in drill?

[A] Lip
[B] Land
[C] Flank
[D] Web
Q.84. What is the minor diameter of thread?
[A] Minor dia = Major dia (2 x pitch)
[B] Minor dia = Major dia + (2 x pitch)
[C] Minor dia = Major dia + (2 x depth)
[D] Minor dia = Major dia (2 x depth)
Q.88. What is the name of the vice?

[A] Hand vice
[B] Bench vice
[C] Tool maker s vice
[D] Quick releasing vice
Q.89. What is the name of the part marked as X ?

[A] Tip
[B] Heel
[C] Tang
[D] Safe edge
Q.90. What is the name of operation?

[A] Marking line at 90°
[B] Checking flatness
[C] Checking squareness
[D] Setting work piece at right angle
Q.94. Name the file shown.

[A] Riffler file
[B] Tinkers file
[C] Barrette file
[D] Crossing file
Q.96. What is the pitch of hacksaw blade used to cut conduit and other thin tubes?
[A] 0.8mm
[B] 1.0mm
[C] 1.4mm
[D] 1.8mm
Q.98. What is the reason for scratches produced on filed surface?
[A] Pinning
[B] Glazing
[C] File bite
[D] Warping
Q.99. What is the name of chisel?

[A] Flat chisel
[B] Web chisel
[C] Cross cut chisel
[D] Diamond point chisel
Q.100. Why slight convexity is given on the face of hammer?
[A To make effective striking
[B] To avoid digging of the edge
[C] To allow even load on striking
[D] To prevent damage to work surface
Q.101. What is the name of hammer?

[A] Mallet hammer
[B] Ball pein hammer
[C] Cross pein hammer
[D] Straight pein hammer
Q.102. What is the name of angle between the axis of chisel and job surface while chipping?
[A] Rake angle
[B] Point angle
[C] Clearance angle
[D] Angle of inclination
Q.104. Name the part marked as x in depth micrometre.

[A] Cap
[B] Lock
[C] Stock
[D] Thimble
Q.105. Why the hand taps are chamfered at the lead?
[A] Aligning
[B] Finishing
[C] Strengthening
[D] Gripping
Q.107. What is the reading of an outside micrometer (British)?

[A] 0.309
[B] 0.329
[C] 0.359
[D] 0.360
Q.109. What is the reading of vernier caliper?

[A] 30.20mm
[B] 30.40mm
[C] 35.20mm
[D] 35.50mm
Q.111. What is the main advantage of adjustable parallel block?
[A] To set different angle
[B] To set different depth
[C] To set different length
[D] To set different height
Q.112. Which part of universal surface gauge is used to set scriber at required position exactly?
[A] Snug
[B] Guide pin
[C] Rocker arm
[D] Fine adjustment screw
Q.113. Convert one metre into millimetre.
[A] 10 mm
[B] 100 mm
[C] 1000 mm
[D] 10000 mm
Q.115. What is the name of the part marked as x in combination set?

[A] Rule
[B] Scriber
[C] Clamp nut
[D] Spirit level
Q.116. Which caliper is used to find the centre of round bars?
[A] Inside caliper
[B] Jenny caliper
[C] Vernier caliper
[D] Outside caliper
Q.117. What is the name of angle marked a in chisel?

[A] Rake angle
[B] Wedge angle
[C] Cutting angle
[D] Clearance angle
Q.118. Which chisel is used for cutting curved grooves?
[A] Flat chisel
[B] Web chisel
[C] Cross cut chisel
[D] Half round nose chisel
Q.119. What is the weight of hammer used for marking purpose?
[A] 200 grams
[B] 250 grams
[C] 300 grams
[D] 450 grams
Q.120. What is the effect of improper method of diagonal filing?
[A] Uneven surface finish
[B] Scratches on the surface
[C] Convexity on the surface
[D] Improper finish on surface
Q.121. Which chisel is used to remove excess metal from welded joint and castings?
[A] Flat chisel
[B] Web chisel
[C] Cross cut chisel
[D] Half round chisel
Q.124. What is the use of fine pitch hacksaw blades?
[A] To cut soft metal
[B] To cut high speed steel
[C] To cut high carbon steel
[D] To cut conduit and other thin tubes
Q.126. What is the name of portion left between flutes in a drill?
[A] Lip
[B] Web
[C] Point
[D] Shank
Q.128. Which part of outside micrometer ensure a uniform pressure between the measuring surface?
[A] Anvil
[B] Thimble
[C] Spindle lock
[D] Ratchet stop
Q.130. What is the principle of micrometer?
[A] Sliding
[B] Screw and nut
[C] Rack and pinion
[D] Worm and worm wheel
Q.132. What is the reading in inch micrometer?

[A] 0.789
[B] 0.787
[C] 0.783
[D] 0.715
Q.135. What is the part marked as x in pedestal grinder?

[A] Tool rest
[B] Eye shield
[C] Wheel guard
[D] Grinding wheel
Q.136. What is the name of file?

[A] Hand file
[B] Rasp cut file
[C] Single cut file
[D] Curved cut file
Q.137. What happens if the vice handle is over tightened?
[A] Spindle damage
[B] Hard jaw damage
[C] Fixed jaw damage
[D] Movable jaw damage
Q.138. Which caliper provide fine adjustment of dimensions?
[A] Inside caliper
[B] Odd leg caliper
[C] Outside caliper
[D] Spring joint caliper
Q.139. Which metal cutting saw is used to cut large cross section area?
[A] Power saw
[B] Contour saw
[C] Circular saw
[D] Horizontal band saw
Q.141. What is the name of gauge?

[A] Bevel gauge
[B] Angle gauge
[C] Surface gauge
[D] Universal bevel gauge
Q.142. Which file is used for manufacturing of dies and moulds?
[A] Rotary file
[B] Tinkers file
[C] Barrette file
[D] Rasp cut file
Q.143. What is the method of removing metal chips clogged between the teeth of files?
[A] Brush
[B] Wire brush
[C] Copper strip
[D] Chalk powder
Q.144. Which vice is used for holding small work that requires filing or drilling?
[A] Pin vice
[B] Pipe vice
[C] Hand vice
[D] Tool maker s vice
Q.145. Which hacksaw blade is used for cutting along curved lines?
[A] HSS blade
[B] All hard blade
[C] Flexible blade
[D] Diamond blade
Q.146. Which chisel is used for cutting keyways?
[A] Flat chisel
[B] Cross cut chisel
[C] Punching chisel
[D] Diamond point chisel
Q.147. Name the part marked X in hammer?

[A] Pein
[B] Face
[C] Cheek
[D] Eye hole
Q.148. What is the purpose of Crowning on the cutting edge of chisel?
[A] Prevent slipping of chisel
[B] Prevent digging of corners
[C] Allow chisel to move freely on straight line
[D] Allow cutting edge to penetrate into the work
Q.149. How to prevent the tool rubbing against the work surface in metal cutting process?
[A] Decrease lip angle
[B] Increased rake angle
[C] Increase clearance angle
[D] Decrease tool wedge angle
Q.151. Which part is the measuring face fitted to the frame of outside micrometer?
[A] Anvil
[B] Barrel
[C] Spindle
[D] Ratchet stop
Q.152. What is the name of micrometer?

[A] Depth micrometer
[B] Inside micrometer
[C] Vernier micrometer
[D] Outside micrometer
Q.153. How the drill chucks are held on the machine spindle?
[A] By arbor
[B] By sockets
[C] By sleeves
[D] By special clamp
Q.156. What is the name of tap wrench?

[A] Box type tap wrench
[B] Solid type tap wrench
[C] T Handle tap wrench
[D] Adjustable tap wrench
Q.157. What is the formula to calculate tap drill size?
[A] Tap drill size = Major dia (2 x depth)
[B] Tap drill size = Major dia + (2 x depth)
[C] Tap drill size = Major dia (2 + depth)
[D] Tap drill size = Major dia + (2 + depth)
Q.158. Which activity causes excessive wear and chattering of drill bit while drilling?
[A] Too fast feed rate
[B] Too slow feed rate
[C] More cutting speed
[D] Too slow spindle speed
Q.160. Which part of combination set is used to mark and check angle of 90° and 45°?
[A] Rule
[B] Centre head
[C] Square head
[D] Protractor head
Q.161. Why ribs are provided in the angle plate?
[A] Provide flatness
[B] Prevent distortion
[C] Provide squareness
[D] Support the machined surface
Q.163. How much carbon content of steel is forgeable?
[A] Up to 1.2 %
[B] Up to 1.7 %
[C] Up to 1.9 %
[D] Up to 2.1 %
Q.166. Select the spindle speed (rpm) for H.S.S drill diameter 24 mm and cutting speed (V) = 30 m/min to drill mild steel.
[A] 275 rpm
[B] 300 rpm
[C] 400 rpm
[D] 450 rpm
Q.167. Which one is used to bring the plates closely together after inserting the rivet in the hole?
[A] Drift
[B] Dolly
[C] Rivet set
[D] Caulking tool
Q.169. How many flutes are these in Phillips screw driver?
[A] One
[B] Two
[C] Three
[D] Four
Q.182. Which rivet is used in heavy structural work?
[A] Pan head rivet
[B] Snap head rivet
[C] Counter sunk rivet
[D] Conical head rivet
Q.184. Name the riveting defect shown?

[A] Improper joining of plates
[B] Burrs between plates
[C] Rivet head not centred with the shank
[D] Body of the rivet not perpendicular to the plate
Q.187. What is the name of part marked X ?

[A] Body
[B] Clamp
[C] Upper blade
[D] Lower blade
Q.191. What is the name of the notch in sheet metal work?

[A] V notch
[B] Slant notch
[C] Square notch
[D] Straight notch
Q.199. Which riveting tool is used to form the final shape of rivet?
[A] Drift
[B] Dolly
[C] Rivet set
[D] Rivet snap
Q.200. What is the name of riveting defect?

[A] Too little allowance on shank
[B] Too much allowance on shank
[C] Rivet head not centered with shank
[D] Head of rivet not perpendicular to shank
Q.203. Which stake is used for making sharp bends?
[A] Funnel stake
[B] Hatchet stake
[C] Half moon stake
[D] Beak or bick iron
Q.208. What is the purpose of hole marked as x ?

[A] Arrest the crack
[B] Allow clearance between the ends
[C] Make good appearance
[D] Facilitate easy bending
Q.209. What is the reason for faulty rivetting?

[A] Burrs between plates
[B] Too little allowance given
[C] Improper joining of plates
[D] Too much allowance given
Q.212. What is the advantage of stakes in sheet metal work?
[A] Sharpening
[B] Supporting
[C] Rest of workpiece
[D] Protect the tool from damage
Q.214. What is the fault in riveting?

[A] Too little allowance
[B] Burrs between the plates
[C] Holes on the plate not in line
[D] Rivet body not perpendicular
Q.215. Which tool is used to make fluid-tight joint by pressing the riveted edge plate?
[A] Dolly
[B] Drift
[C] Caulking tool
[D] Fullering tool
Q.216. Why allowance is required while making various types of hems and seams?
[A] To make good appearance
[B] To prevent damage to the edges
[C] To prevent over lapping at the seam
[D] Maintain correct size and improve the strength
Q.221. Name the tool marked as X in riveting.

[A] Drift
[B] Rivet snap
[C] Caulking tool
[D] Fullering tool
Q.226. Name the type of seam.

[A] Lap seam
[B] Double seam
[C] Grooved seam
[D] Double grooved seam
Q.227. Which rivet is used to avoid the projection of rivet head?
[A] Pan head rivet
[B] Snap head rivet
[C] Conical head rivet
[D] Counter sunk head rivet
Q.228. What is the minimum distance between the rivets to avoid bucking?
[A] 2D
[B] 2.5D
[C] 3D
[D] 3.5D
Q.229. Which type of filler rod is used in gas welding of stainless steel?
[A] Pure aluminium
[B] Copper silver alloy
[C] Columbium stainless steel
[D] Copper coated mild steel
Q.237. What is the colour painted on the acetylene gas cylinders?
[A] Black
[B] Green
[C] Blue
[D] Maroon
Q.239. Which factor determine the current setting during welding?
[A] Types of joint
[B] Position of weld
[C] Length of electrode
[D] Diameter of electrode
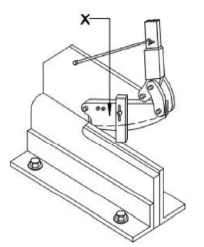
Q.242. Name the safety operation carried out in welding plant shown in the figure?

[A] Compressor used to force out fuses
[B] Cooling the surface to clear gases
[C] Water forced to clean the surface
[D] Exhaust duct capture fuses and gases
Q.245. What is the name of the the metal edge in an angle during welding and cutting operations?
[A] Kerf
[B] Drag
[C] Bevel
[D] Gouging
Q.246. Identify the welding defect shown in figure.

[A] Under cut
[B] Cracking
[C] Lack of fusion
[D] Incomplete penetration
Q.247. Why the cylinder keys are not removed from the cylinder while welding?
[A] To prevent gas leak
[B] To adjust the gas supply
[C] To open and close frequently
[D] To close quickly in case of fire
Q.248. Which process blow out the cylinder valve socket before connecting the regulator?
[A] Cracking
[B] Back fire
[C] Flash back
[D] Pressure testing
Q.249. What is the oxygen cylinder colour?
[A] Red
[B] Blue
[C] Black
[D] Maroon
Q.250. What is the name of the part marked as X ?

[A] Handle
[B] Mixing chamber
[C] Oxygen control value
[D] Acetylene control value
Q.252. What is the purpose of cellulosic electrode in arc welding process?
[A] Very easy to remove the deposited slag
[B] Used for high strength steel
[C] It is used for low carbon steel
[D] It is suitable for all position
Q.253. What is the name of the part marked as X ?

[A] Preheat control valve
[B] Oxygen control valve
[C] Horizontal adjustment
[D] Vertical adjustment
Q.255. What is the equipment used to protect the body from flying spark during gas cutting?
[A] Leather cap
[B] Leather apron
[C] Leather shoes
[D] Cutting goggles
Q.256. How to extinguish the flame after use in gas welding?
[A] Shut off oxygen and dip blow pipe in water
[B] Shut off oxygen and acetylene valve at a time
[C] Shut off oxygen valve first next acetylene valve
[D] Shut off acetylene valve first next oxygen valve
Q.258. Which internal defect in welding is invisible to naked eye?
[A] Spatter
[B] Porasity
[C] Undercut
[D] Stray arc















































